Time:2023-02-07 Views:
Shenzhen Meiyuxin Technology Co., Ltd. [Electronic Distributor] New original supply LMZ31710RVQR 2.95V to 17V, 10A step-down power module with current sharing function, 10x10x4.3mm QFN package Quality assurance New original! ! !
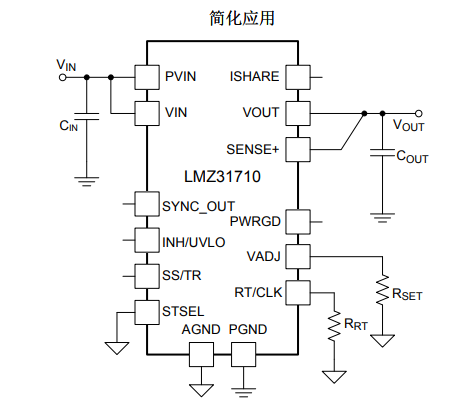
Product Description:
The LMZ31710RVQR power module is an easy-to-use integrated power solution that combines a 10-A DC/DC converter with power MOSFETs, a shielded inductor, and passive components in a flat QFN package. This total power solution requires only three external components and eliminates the loop compensation and magnetics selection process.
LMZ31710RVQR The device is housed in a 10 × 10 × 4.3mm QFN package, which can be easily soldered to a printed circuit board and enables compact point-of-load designs. The device achieves over 95% efficiency with excellent power dissipation capability with a thermal resistance of 13.3°C/W.
The LMZ31710RVQR offers the flexibility and feature set of a discrete point-of-load design, making it ideal for powering a wide range of integrated circuits (ICs) and systems. Advanced packaging technology provides a robust and reliable power solution compatible with standard QFN mounting and testing techniques.
![}JU%X]13H2Y$X_VWJF39@Y5.png }JU%X]13H2Y$X_VWJF39@Y5.png](http://www.icmyx.com/upload/202302/07/202302071522326340.png)
characteristic:
• Fully integrated power solution
– Small flat design
– Pin compatible with LMZ31707 and LMZ31704
– 10mm × 10mm × 4.3mm package
• Efficiency up to 95%
• Eco-Mode™ and Light Load Efficiency (LLE)
• Wide Output Voltage Regulation from 0.6V to 5.5V with 1% Reference Accuracy
• Supports parallel operation for higher currents
• Optional Split Supply Rail Enables Input Voltages as Low as 2.95V
• Adjustable Switching Frequency Range (200kHz to 1.2MHz)
• Synchronization with external clock
• Provides 180° out-of-phase clock signals
• Adjustable slow start
• Output voltage sequencing and tracking
• Power good output
• Programmable Undervoltage Lockout (UVLO)
• Overcurrent and thermal protection
• Pre-biased output startup
• Operating temperature range: –40°C to +85°C
• Enhanced Thermal Performance: 13.3°C/W
• Meets EN55022 Class B Radiated Emissions Standards
- Integrated shielded inductor
• Utilize the LMZ31710 to create custom designs with WEBENCH® Power Designer
Application:
• Broadband and communications infrastructure
• Automatic testing and medical equipment
• Compact PCI/PCI Express/PXI Express
• DSP and FPGA point of load
Skype:szmyxdz@163.com
Tel: +86-13530718420
Email: szmyxdz@163.com
Company Homepage:en.icmyx.com
Professional recycling of IoT chips and factory inventory.
Professional electronic components distribution and efficient BOM quotation solutions
Distribution of electronic components-Meiyuxin Mall
Recycling of electronic components
Recycling of electronic components
Distribution of electronic components-Meiyuxin Mall
Distribution of electronic components-Meiyuxin Mall
Professional recycling of IoT chips and factory inventory.
Professional electronic components distribution and efficient BOM quotation solutions
Distribution of electronic components-Meiyuxin Mall
Recycling of electronic components
Recycling of electronic components
Distribution of electronic components-Meiyuxin Mall
Distribution of electronic components-Meiyuxin Mall
Working Hours:Monday To Saturday 00:00-24:00
+86-13530718420
Skype:szmyxdz@163.com
E-Mail:szmyxdz@163.com
Company Address:A309-s31604, Rongchao economic and Trade Center, No. 4028, Jintian Road, Fuzhong community, Lianhua street, Futian District, Shenzhen
官方二维码
Links:
Copyright 2022 Shenzhen Meiyu core technology Co., Ltd Telephone:+86-13530718420 Guangdong ICP No. 2022094269-1

Service Hotline
Monday To Saturday 00:00-24:00

Skype
szmyxdz@163.com